| Material | 304/316 stainless steel |
| Automatic cleaning | Yes |
| Strength monitoring | Yes |
| Equipment power | 12kw |
| PLC and touch screen | Yes |
| Surface treatment | Polished/matte |
| Tube brand | Imported |
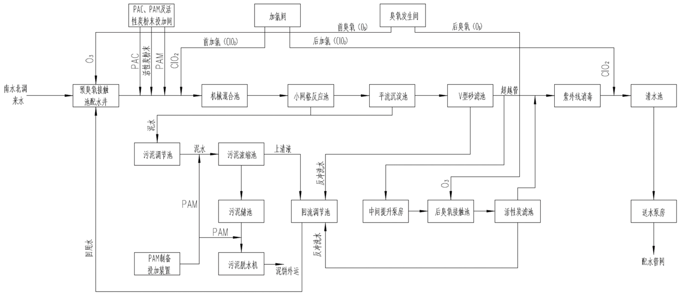
The core working principle of medium-pressure UV equipment is to emit ultraviolet rays covering a wide wavelength range (wavelength range 200nm~400nm), especially the UVC band (200~280nm) through a special medium-pressure mercury lamp. It can emit ultraviolet rays covering a wide wavelength, including multiple bands that have significant effects on sterilization and decomposition of organic matter.
Through ultraviolet irradiation, the DNA or RNA structure of microorganisms is destroyed, making them unable to reproduce and survive, thereby achieving efficient sterilization and disinfection. In addition, the energy of ultraviolet rays can also cause the molecular bonds of organic matter to break and decompose organic pollutants, such as removing humus and odor substances in water.
Highly durable light source system
The core is a medium-pressure mercury lamp, which has high power and wide spectrum output, and can continuously and stably emit full-band ultraviolet rays. Some equipment is also equipped with multiple mercury lamps to increase the intensity of ultraviolet radiation;
Reaction chamber
A well-designed reaction chamber ensures that ultraviolet rays are evenly irradiated on the treatment object, improving the treatment effect. Its material is usually selected from materials with high UV transmittance and corrosion resistance, such as quartz glass;
Control system
Achieve precise control of parameters such as equipment start, stop, running time, UV intensity, etc., automatic cleaning, convenient operation and ensure stable operation of the equipment;
Broad-spectrum sterilization and disinfection
Full-band UV rays can effectively kill a variety of bacteria, viruses, fungi, algae and other microorganisms, with a wide coverage;
Efficient treatment of organic matter
Decompose organic pollutants in water, such as removing humus and odor substances in water;
Quick response
The action process of ultraviolet rays on microorganisms and organic matter is rapid, and can achieve the effect of sterilization and decomposition of organic matter in a short time;
No secondary pollution
The UV sterilization and disinfection process is a physical action, and will not produce secondary pollution like chemical disinfectants.
1. UV disinfection is an environmentally friendly water treatment method that does not require the addition of chemicals. It can effectively eliminate the pollution of harmful pathogens to water bodies;
2. The disinfection effect has been proven by thousands of engineering examples around the world. In the field of drinking water disinfection, UV disinfection has been widely recognized and applied worldwide;
3. UV has a broad spectrum of biological inactivation, including bacteria, viruses and chlorine-resistant protozoa;
4. At low doses, UV treatment can effectively inactivate Cryptosporidium and Giardia;
5. In the multi-barrier disinfection strategy, UV is a reliable and efficient disinfection method, usually combined with chlorine disinfection as a double barrier disinfection;
6. UV does not produce disinfection by-products (DBPS) and does not affect the taste of water.
UV is an economical and effective disinfection method. As one of the double barriers, it can inactivate almost all microorganisms that can be killed by ammonia, including chlorine-resistant protozoa such as Cryptosporidium and Giardia, ensuring the safety of water supply. In double barrier disinfection, the use of UV technology can improve the safety of public drinking water and reduce the risk of accidents and liabilities of local relevant government departments.
1. Fewer lamps are required and the electro-optical efficiency is high.
It combines the advantages of low-pressure and medium-pressure lamps at the same time, providing cost and maintenance advantages with high cost performance.
2. Compact footprint.
The optimized reactor design and modular lamp group can be installed in a very small space, thus achieving good economic benefits.
3. Easy operation and maintenance.
Combined with H2O2 or O3, it can meet the use requirements of UV advanced oxidation and disinfection treatment at the same time.
4. Destroy harmful pollutants.
It is an ideal choice for treating geosmin, 2-methylisoborneol and other chemical pollutants. The treated water fully meets the requirements of drinking water standards.
5. Advanced control system.
An intelligent and flexible control system optimizes power consumption and oxidant consumption while ensuring that the UV dose and target pollutant treatment meet the treatment requirements.
6. System performance can be demonstrated using key control points.
The control system monitors and provides trend lines and output data for all regulatory requirements including UV dose, oxidant concentration and pollutant reduction.
7. Achieve water quality assurance.
Guanyu UV system provides quality assurance including life cycle performance guarantee and high-quality system and spare parts.
